你有没有想过,数控机床上的自制接料装置图纸是怎么看的呢?这可是个技术活儿,得有火眼金睛才能从中发现门道。今天,就让我带你一探究竟,揭开数控自制接料装置图纸的神秘面纱吧!
一、图纸的构成

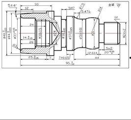
首先,你得知道,一张数控自制接料装置图纸通常由以下几个部分组成:
1. 标题栏:这里会标注图纸的名称、编号、版本等信息,就像一个人的名片,一目了然。
2. 视图:这是图纸的核心部分,包括正视图、侧视图、俯视图等,让你从不同角度了解接料装置的结构。
3. 尺寸标注:这些数字和字母可是关键,它们告诉你每个零件的尺寸和位置,确保组装时不会出错。
4. 技术要求:这里会列出一些特殊要求,比如材料、加工工艺、表面粗糙度等,得一一对应。
5. 零件表:列出所有零件的名称、编号、数量等信息,方便查找和核对。
二、如何看懂视图

图纸上的视图可是门学问,下面就来教你几招:
1. 正视图:就像站在接料装置前面,可以看到它的正面和侧面。注意观察各个零件的相对位置和连接方式。
2. 侧视图:想象你站在接料装置的侧面,可以看到它的侧面和背面。这个视图主要用来展示零件的高度和深度。
3. 俯视图:从上方俯瞰接料装置,可以看到它的顶部和底部。这个视图有助于理解接料装置的整体布局。
三、尺寸标注的解读

尺寸标注是图纸的灵魂,下面教你如何解读:
1. 基本尺寸:这是零件的基本尺寸,比如长度、宽度、高度等。通常用毫米(mm)作为单位。
2. 公差:这个数字表示零件尺寸的允许偏差范围。比如,一个零件的长度为50mm,公差为±0.1mm,那么它的实际长度可以在49.9mm到50.1mm之间。
3. 配合要求:这里会标注零件之间的配合关系,比如间隙配合、过盈配合等。
四、技术要求的关注点
1. 材料:图纸会指定零件的材料,比如钢、铝、塑料等。选择合适的材料对零件的性能至关重要。
2. 加工工艺:这里会说明零件的加工方法,比如车削、铣削、磨削等。不同的加工方法会影响零件的精度和表面质量。
3. 表面粗糙度:这个指标表示零件表面的光滑程度。表面粗糙度过高会影响零件的耐磨性和密封性。
五、零件表的核对
1. 数量:确保图纸上的零件数量与实际数量一致,避免遗漏或重复。
2. 编号:核对每个零件的编号,确保它们在图纸上的位置和实际位置一致。
3. 名称:检查每个零件的名称是否正确,避免因名称错误而造成误解。
通过以上五个方面的学习,相信你已经对数控自制接料装置图纸有了更深入的了解。当然,实际操作中还需要不断积累经验和技巧。不过,只要你用心去学,相信不久的将来,你也能成为图纸解读的高手!
转载请注明出处:admin,如有疑问,请联系()。
本文地址:https://weddingxz.com/post/831.html
